موجودہ ٹرانسفارمر CT
Wound Type 5p10 5p20 Ct 100 150 400 5a
  • Wound Type 5p10 5p20 Ct 100 150 400 5aWound Type 5p10 5p20 Ct 100 150 400 5a

Wound Type 5p10 5p20 Ct 100 150 400 5a

اعلی معیار کے ممکنہ ٹرانسفارمرز اور موجودہ ٹرانسفارمرز کی فراہمی کے لئے ، وینزہو XIFA الیکٹرک پاور آلات کمپنی ، لمیٹڈ کی تائید اور سپلائی کے زخم کی قسم 5P10 5P20 CT 100 150 400 5A جیسے مؤکلوں کو اپنی مرضی کے مطابق خدمت کی حمایت کریں۔ وینزہو XIFA الیکٹرک میں ، تیار کرنے والی ٹیم تیز رفتار ترسیل کو یقینی بنانے کے ل regular باقاعدہ قسم کے موجودہ ٹرانسفارمر ، جیسے 100/5A 10P10 0.5 موجودہ ٹرانسفارمر کے لئے انوینٹری رکھتی ہے۔ تاہم ، کمپنی مختلف بجلی کی طلب کو پورا کرنے کے لئے اپنی مرضی کے مطابق خدمت کی حمایت کرتی ہے جیسے سپلائی موجودہ ٹرانسفارمر جس میں پروٹیکشن کلاس 5P10 یا 5P20 ہے۔

زخم کی قسم کا موجودہ ٹرانسفارمر درمیانے وولٹیج پاور سسٹم جیسے 10KV 20KV اور 35KV میں قابل اعتماد موجودہ پیمائش اور تحفظ کے لئے ڈیزائن کیا گیا ہے۔ 100/5A ، 150/5A ، اور 400/5A کے موجودہ تناسب میں دستیاب ہے ، اور 5P10 اور 5P20 کی حفاظت کی درستگی کی کلاسوں کے ساتھ ، اس زخم کی قسم 5P10 5P20 CT 100 150 400 5A پیمائش ، پیمائش ، اور حفاظتی ریلے کی درخواستوں دونوں کے لئے مناسب ثانوی موجودہ آؤٹ پٹ فراہم کرتا ہے۔

ٹھوس مقناطیسی کور اور ثانوی کنڈلیوں کے ساتھ تیار کردہ ، زخم کی قسم کا موجودہ ٹرانسفارمر شارٹ سرکٹ کے حالات میں مستحکم کارکردگی کو یقینی بناتا ہے اور عارضی واقعات کے دوران بھی درست موجودہ تبدیلی فراہم کرتا ہے۔ اس کا مضبوط موصلیت کا نظام ، اکثر ایپوسی یا اعلی گریڈ رال کو شامل کرتا ہے ، حفاظت ، طویل خدمت زندگی ، اور نمی اور ماحولیاتی تناؤ کے خلاف مزاحمت کو یقینی بناتا ہے۔

زخم کی قسم کا ڈیزائن سوئچ گیئر ، کنٹرول پینلز ، اور تقسیم بورڈ میں لچکدار تنصیب کی اجازت دیتا ہے ، تاکہ ریلے تحفظ کی اسکیموں کے لئے قابل اعتماد مدد فراہم کرے۔ زخم کی قسم موجودہ ٹرانسفارمر صنعتی پودوں ، تجارتی سہولیات ، اور افادیت کی تقسیم کے نیٹ ورک کے لئے مثالی ہے جہاں آپریشنل نگرانی اور حفاظتی کنٹرول دونوں کے لئے درست اور قابل اعتماد موجودہ پیمائش ضروری ہے۔

Wound Type 5p10 5p20 Ct 100 150 400 5a

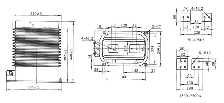
تکنیکی تفصیلات:

قسم پرائمری ریٹیڈ کرنٹ (A) درستگی کی کلاس درستگی کی کلاس اور درجہ بندی شدہ آؤٹ پٹ کوس = 0.8 شوری ٹائم تھرمل کرنٹ (کا/ایس) متحرک موجودہ (KA)
0.2 (s) 0.5 (s) 10p10
lzzbj9-35 20-100 0.2/0.2 0.2/0.5 0.2/5p20 0.5/5p20 0.2/0.5/5p 0.2/5p/5p 10 10 15 150i1n 375i1n
150-200 31.5 80
300-500 31.5/2 80
600-1250 15 30 20 31.5/4 80
1500-2000 20 40 30 40/4 125
2500 20 40 20 40/4 125


قسم پرائمری ریٹیڈ کرنٹ (A) درستگی کی کلاس صلاحیت (VA) شوری ٹائم تھرمل کرنٹ (کا/ایس) متحرک موجودہ (KA)
lzzbj9-35 10 0.2/10p10 0.5/10p10 0.2/5P20 0.5/5P20 0.2/0.5/10p10 0.2/0.5/5p20 0.2/10p10/5p20 0.5/10p10/5p20 15/20 20/20 15/20 20/20 15/20/20 15/20/20 15/20/20 20/20/20 1.5/1 3.75
20 2/1 5
30 3/1 7.5
40 4/1 10
50 5/1 12.5
75 7.5/1 18.75
100 10/1 25
150 15/1 37.5
200 20/1 50
300 31.5/1 80
400 31.5/2 80
500 31.5/2 80
600 31.5/2 80
800 31.5/3 80
1000 31.5/3 80
1200 31.5/3 80
1500 31.5/3 80
2000 31.5/3 80

Wound Type 5p10 5p20 Ct 100 150 400 5a

مصنوعات کے عمومی سوالنامہ:

س: "زخم کی قسم 5p10" یا "5p20" کا مطلب ایک زخم کی قسم 5P10 5P20 CT 100 150 400 5A میں کیا ہے؟

ج: "زخم کی قسم" کی اصطلاح سی ٹی ایس سے مراد ہے جہاں پرائمری کنڈکٹر بسبار یا کور کے ذریعے بار کے بجائے زخم سمیٹتا ہے۔ کلاس 5P10 یا 5P20 تحفظ کی درستگی کی نشاندہی کرتا ہے: 5p کا مطلب درجہ بند ثانوی موجودہ میں 5 ٪ تک غلطی ہے ، اور 10 یا 20 نمبر مخصوص غلطی سے تجاوز کیے بغیر درجہ بند پرائمری کرنٹ کا زیادہ سے زیادہ جائز قلیل وقت ہے۔

س: میں اپنے سسٹم کے لئے سی ٹی کی صحیح درجہ بندی کا انتخاب کیسے کروں؟

A: اپنے سسٹم کے زیادہ سے زیادہ بوجھ موجودہ اور تحفظ کی ضروریات پر مبنی سی ٹی منتخب کریں۔ مثال کے طور پر ، 100/5A CT عام دھاروں والے سرکٹس کے لئے 100 A کے ارد گرد موزوں ہے ، جبکہ 400/5A اعلی موجودہ فیڈروں کے لئے ڈیزائن کیا گیا ہے۔ ریلے کی غلطی کا پتہ لگانے کی حساسیت اور متوقع شارٹ سرکٹ کرنٹ کے مطابق پروٹیکشن کلاس (5P10 یا 5P20) کا انتخاب کریں۔

س: کون سے ماحولیاتی حالات 5p10 5P20 CT 100 150 400 5A ہینڈل کو زخمی کرسکتے ہیں؟

A: ان زخموں کی قسم کے موجودہ ٹرانسفارمرز کو عام طور پر –10 ° C سے +40 ° C تک محیط درجہ حرارت کے لئے درجہ بندی کیا جاتا ہے ، جس میں زیادہ سے زیادہ 1000 میٹر کی اونچائی ہوتی ہے۔ صنعتی اور افادیت کی ترتیبات میں قابل اعتماد تحفظ کی کارکردگی کو یقینی بنانے کے لئے ہاؤسنگ میٹریلز اور موصلیت کے نظام نمی ، دھول اور آلودگی کے خلاف مزاحم آپریشن کے لئے ڈیزائن کیے گئے ہیں۔




ہاٹ ٹیگز: Wound Type 5p10 5p20 Ct 100 150 400 5a, Current Transformer Supplier, Metering Transformers Wholesale
انکوائری بھیجیں۔
رابطہ کی معلومات
  • پتہ

    نمبر 391 ، جینگقی روڈ ، یانپان صنعتی زون ، یوکنگ سٹی ، صوبہ جیانگ ، چین ، چین

  • ٹیلی فون

    +86-577-62731111

  • ای میل

    info@xifaele.com

اپنے کوٹیشن کو ASAP حاصل کرنے کے لئے

XIFA آپ کا قابل اعتماد بجلی کا سامان فراہم کنندہ
X
ہم آپ کو براؤزنگ کا بہتر تجربہ پیش کرنے ، سائٹ ٹریفک کا تجزیہ کرنے اور مواد کو ذاتی نوعیت دینے کے لئے کوکیز کا استعمال کرتے ہیں۔ اس سائٹ کا استعمال کرکے ، آپ کوکیز کے ہمارے استعمال سے اتفاق کرتے ہیں۔ رازداری کی پالیسی
مسترد قبول کریں