موجودہ ٹرانسفارمر CT
صفر تسلسل سی ٹی موجودہ ٹرانسفارمر ڈونٹ کی قسم
  • صفر تسلسل سی ٹی موجودہ ٹرانسفارمر ڈونٹ کی قسمصفر تسلسل سی ٹی موجودہ ٹرانسفارمر ڈونٹ کی قسم
  • صفر تسلسل سی ٹی موجودہ ٹرانسفارمر ڈونٹ کی قسمصفر تسلسل سی ٹی موجودہ ٹرانسفارمر ڈونٹ کی قسم

صفر تسلسل سی ٹی موجودہ ٹرانسفارمر ڈونٹ کی قسم

ٹھوس کوالٹی صفر تسلسل سی ٹی موجودہ ٹرانسفارمر ڈونٹ کی قسم تیار کرنے کے لئے ، وینزہو XIFA الیکٹرک پاور آلات کمپنی ، لمیٹڈ اچھے معیار اور مسابقتی قیمت کے ساتھ خام مال اپناتا ہے۔ سمیٹنے کے عمل میں ، وینزہو XIFA آکسیجن سے پاک تانبے کے تامچینی تار کو اپناتا ہے تاکہ ہر صفر تسلسل سی ٹی موجودہ ٹرانسفارمر ڈونٹ قسم کے لئے برقی چالکتا اور مکینیکل طاقت کو یقینی بنایا جاسکے۔ دریں اثنا ، بنیادی تیاری کے عمل میں ، وینزہو XIFA چھوٹے زیرو تسلسل کے موجودہ کے حساس ردعمل پر عمدہ کارکردگی کو برقرار رکھنے کے لئے اعلی مقناطیسی پارگمیتا سلیکن اسٹیل شیٹ کا استعمال کرتا ہے۔

صفر تسلسل سی ٹی موجودہ ٹرانسفارمر ایک واحد موڑ ہے ، جو بنیادی آلہ کے ذریعے جو بجلی کے نظام میں استعمال ہوتا ہے جو صفر تسلسل کے دھاروں کی نگرانی کے لئے استعمال ہوتا ہے۔ یہ حفاظتی ریلے نظام کے ایک اہم جزو کے طور پر کام کرتا ہے ، جو بنیادی طور پر زمینی غلطیوں ، رساو دھاروں اور موصلیت کی نگرانی کا پتہ لگانے کے لئے کام کرتا ہے۔ تین مرحلے کے دھاروں اور اس کے نتیجے میں صفر تسلسل موجودہ کے ویکٹر کی رقم کو سینس کر ، صفر تسلسل سی ٹی موجودہ ٹرانسفارمر کم موجودہ گراؤنڈنگ سلیکٹرز ، ڈیجیٹل ہارمونک دباؤ ڈیوائسز ، اور ریلے تحفظ یونٹوں کے ساتھ فالٹ انتباہات اور منقطع طاقت فراہم کرنے کے لئے پروٹیکشن آپریشنز اور انٹرفیس کو متحرک کرسکتا ہے۔

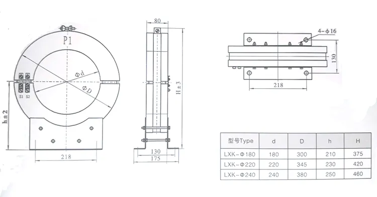
ساختی طور پر ، صفر تسلسل سی ٹی کرنٹ ٹرانسفارمر ایک ٹورائیڈل کور اور ثانوی سمیٹ پر مشتمل ہوتا ہے جس میں ایپوسی رال یا سلیکون ربڑ کی رہائش ہوتی ہے ، جس سے نمی کی مزاحمت اور تحفظ سے زیادہ آلودگی فلیش کی پیش کش ہوتی ہے۔ تنصیب کے اختیارات میں ٹھوس شامل ہیں ، جس میں پہلے سے گزرنے والی کیبلز اور اسپلٹ کور ڈیزائن کی ضرورت ہوتی ہے ، جو کیبلز کو منقطع کیے بغیر ریٹروفٹ کرنے کی اجازت دیتے ہیں۔

یہ 50 ہرٹج پاور سسٹم کے ساتھ مطابقت رکھتا ہے ، جو مختلف غیر جانبدار نقطہ کنفیگریشنوں کے لئے درکار حساسیت اور خطوط فراہم کرتا ہے ، جس میں گراؤنڈ اور غیر منقولہ نظام بھی شامل ہے۔ صفر تسلسل سی ٹی موجودہ ٹرانسفارمر کو قابل اعتماد غلطی کی نشاندہی اور نظام کے تحفظ کی فراہمی کے لئے سمارٹ گرڈ ، ریل ٹرانزٹ ، عمارت بجلی کے نظام ، اور صنعتی آلات کی نگرانی میں وسیع پیمانے پر لاگو ہوتے ہیں۔

Zero Sequence Ct Current Transformer Donut TypeZero Sequence Ct Current Transformer Donut Type

قسم ریلے کی قسم کنکشن میٹوڈ پیمانے کی قیمت پرائمری کرنٹ قسم ریلے کی قسم کنکشن میٹوڈ پیمانے کی قیمت پرائمری کرنٹ
LXK-φ80 LXK-φ100 LXK-φ120 LXK-φ150 DD11/60 سیریز 15*1 2.4-4.5 LXK-φ180 LXK-φ220 LXK-φ240 DD11/60 سیریز 15*1 2.4-4.5
30*1 30*1
متوازی 15*2 3-5 متوازی 15*2 3-5
30*2 30*2
DD1/60 سیریز 15*1 3-5 DD1/60 سیریز 15*1 3-5
30*1 30*1
متوازی 15*2 3-6 متوازی 15*2 3-6
30*2 30*2

Zero Sequence Ct Current Transformer Donut Type

مصنوعات کے عمومی سوالنامہ:

س: ڈونٹ ٹائپ زیرو تسلسل سی ٹی موجودہ ٹرانسفارمر کیا ہے؟

ڈونٹ ٹائپ زیرو تسلسل سی ٹی کرنٹ ٹرانسفارمر ایک بنیادی آلہ ہے جو تین مرحلے کے نظاموں میں صفر تسلسل دھاروں کا پتہ لگانے کے لئے ڈیزائن کیا گیا ہے۔ اس کا ٹورائیڈل کور بنیادی کنڈکٹر کو مرکز سے گزرنے کی اجازت دیتا ہے ، جو زمینی غلطیوں ، رساو دھاروں اور موصلیت کے حالات کی غیر مداخلت کی نگرانی فراہم کرتا ہے۔

س: ڈونٹ ٹائپ زیرو تسلسل سی ٹی موجودہ ٹرانسفارمر آؤٹ پٹ سگنل کیسے ہوتا ہے؟

A: ڈونٹ ٹائپ زیرو تسلسل سی ٹی موجودہ ٹرانسفارمر اعلی صحت سے متعلق سمیٹنے اور روگوسکی کنڈلی ٹیکنالوجی کا استعمال کرتے ہوئے صفر تسلسل موجودہ کو متناسب وولٹیج یا ثانوی موجودہ میں تبدیل کرتا ہے۔ یہ آؤٹ پٹ تیز اور درست غلطی کا پتہ لگانے کے لئے ریلے ، میٹر ، اور نگرانی کے نظام کے ساتھ مطابقت رکھتا ہے۔

س: ڈونٹ ٹائپ زیرو تسلسل سی ٹی موجودہ ٹرانسفارمر کی مخصوص ایپلی کیشنز کیا ہیں؟

A: ڈونٹ ٹائپ زیرو تسلسل سی ٹی موجودہ ٹرانسفارمر عام طور پر استعمال ہوتا ہے:

1. گراؤنڈ فالٹ پروٹیکشن اور رساو موجودہ پتہ لگانا ؛

2. بجلی کی تقسیم کے نظام میں غیر جانبدار نقطہ نگرانی ؛

3. ڈیجیٹل پروٹیکشن ریلے ، ہارمونک دبانے والے آلات ، اور سمارٹ گرڈ مانیٹرنگ سسٹم کے ساتھ انضمام۔

4. انڈسٹریل آلات ، تعمیراتی بجلی کے نیٹ ورک ، اور ریل ٹرانزٹ سسٹم۔




ہاٹ ٹیگز: زیرو تسلسل سی ٹی موجودہ ٹرانسفارمر ، ڈونٹ ٹائپ سی ٹی ، گراؤنڈ فالٹ پروٹیکشن ٹرانسفارمر
انکوائری بھیجیں۔
رابطہ کی معلومات
  • پتہ

    نمبر 391 ، جینگقی روڈ ، یانپان صنعتی زون ، یوکنگ سٹی ، صوبہ جیانگ ، چین ، چین

  • ٹیلی فون

    +86-577-62731111

  • ای میل

    info@xifaele.com

اپنے کوٹیشن کو ASAP حاصل کرنے کے لئے

XIFA آپ کا قابل اعتماد بجلی کا سامان فراہم کنندہ
X
ہم آپ کو براؤزنگ کا بہتر تجربہ پیش کرنے ، سائٹ ٹریفک کا تجزیہ کرنے اور مواد کو ذاتی نوعیت دینے کے لئے کوکیز کا استعمال کرتے ہیں۔ اس سائٹ کا استعمال کرکے ، آپ کوکیز کے ہمارے استعمال سے اتفاق کرتے ہیں۔ رازداری کی پالیسی
مسترد قبول کریں